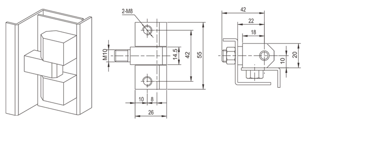
JL1052-1

材料:锌合金铰链,碳钢销子和螺杄。

表面处理:镀亮铬,销子和螺杄镀锌。

结构说明:可开启角度180°。

Material:zinc alloy hinge.steel shaft

Finish:Bright chrome plated zinc plated shaft

Remark:180 degree rotation

产品结构示意图