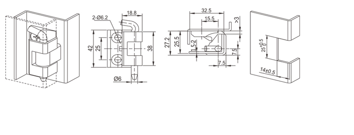
JL1081-1

材料:锌合金铰链,不锈钢或碳钢销子。

表面处理:喷无光黑,销子镀锌。

结构说明:可开启角度180°。

Material:Zinc alloy hinge,steel shaft

Finish:black coated or bright chrome plated zinc plated shaft

Remark:180 degree rot ation

产品结构示意图