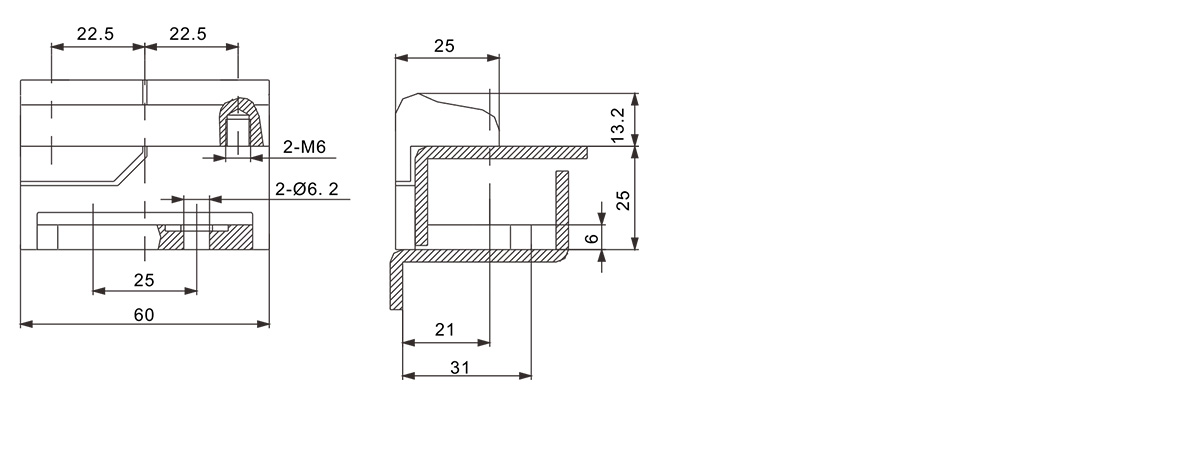
JL1086-1R

材料:锌合金铰链,PA-6垫片,碳钢销子。

表面处理:喷无光黑和镀亚光,销子镀锌。

结构说明:可开启角度180

Material:zinc alloy hinge,PA-6 washer.steel shaft

Finish:Black coated or Grey chrome plated

Remark:180 degree rotation

产品结构示意图