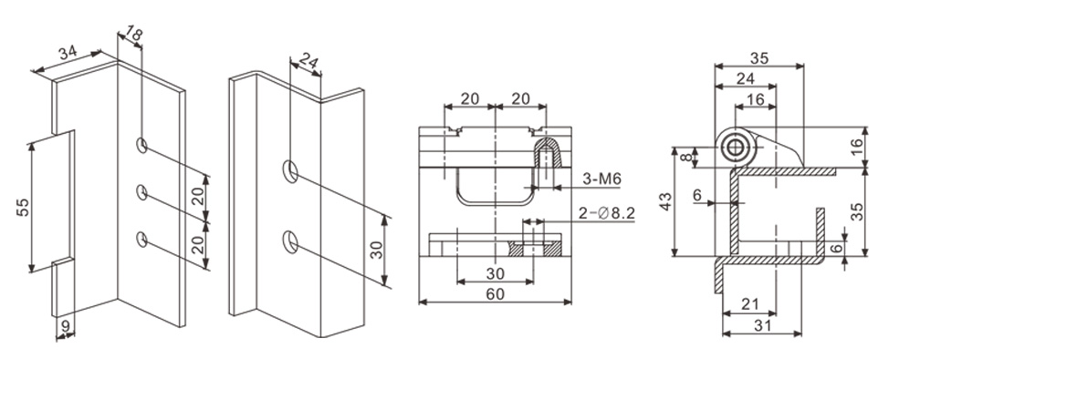
JL1094-1

材料:锌合金铰链,PA垫片和销子。

表面处理:喷无光黑,销子黑色。

结构说明:可开启角度180°。

Material:zinc alloy hinge,PA shaft

Finish:black coated black shaft

Remark:180 degree rotation

产品结构示意图